Lautsprecher-Management, -Steuerung und -Messung

RCF RDNet Measure im Hands-On

Ein erheblicher Teil der RCF-Trainings beschäftigt sich mit Netzwerktechnik: die Selfpowered-Lautsprecher sind umfassend fernsteuerbar. RCFs kostenlose Software „Measure“ unterstützt aber auch die Beschallungsmessung – nicht nur von RCF-Lautsprechern.

RDNet Measure SPL Meter(Bild: Veit Bartels)

RDNet von RCF wurde als Control-Netzwerk entwickelt, um RCFs Top-Serien TT+ und HDL aus der Ferne zu überwachen und zu steuern. Durch deren Selfpowered-Aufbau hat man ja auch bei kleineren Beschallungsanlagen schon etliche Endstufen in Betrieb – oder eben auch besonders unzugänglich in der Luft hängen. Diese Software an sich hat aber bereits etliche Evolutionsstufen hinter sich und bekam mit „Measure“ in der Version 4 einen völlig neuen Funktionsbereich: Einen FFT- Analyser, mit dem sich einige der gängigen Aufgabenstellungen erledigen lassen, und das ohne Erwerb einer kostenpflichtigen Lizenz.

Anzeige


Übersicht:
Freeware: Misure libere
RDNet als Grundlage
Mess-Basis: alles da
Ohne Systemer – niederschwellige Annäherung
Messtechnik-Einstiegsdroge


Freeware: Misure libere

Die Software RDNet Measure wird als Freeware angeboten, die sich nach Registrierung eines Benutzerkontos (und Akzeptieren von vier italienischen Datenschutzbestimmungen …) bei RCF kostenfrei herunterladen lässt. Dazu benötigt man eine Soundkarte oder ein externes Device, das auf ASIO-Treiber-Basis mit der Software kommuniziert. Verfälscht das nicht die Messwerte? Eine Frage, die sicher aufkommt. Allerdings sind auch schon bei kleineren Preisen gute Mikrofone und Vorstufen zu bekommen. Und ohne zu tief die Messtechnik oder S/N-Verhältnisse zu diskutieren: Solche Messungen sind in dieser Anwendung ja nur eine unterstützende, vergleichende Moment-Aufnahme, keine gerichtsfesten Labor-Analysen. Insbesondere auf die Kalibrierung der Kombination Vorstufe/Mikrofon muss ein besonderes Augenmerk gelegt werden, sonst wären die absoluten Werte der angezeigten Pegel nicht aussagekräftig. Dazu kann sich RDNet Measure bei Vorhandensein eines Kalibrators auf dessen Wert abstimmen – Kalibrator aufstecken, dessen Wert (wie „94 dB“) im Dialog eintragen und den Abgleich starten. Korrektur-Files für Messmikrofone werden nicht unterstützt – aber wie schon erwähnt geht es RDNet Measure aktuell vor allem um eine Hilfestellung beim Setup einer Beschallung. Theoretisch funktioniert RDNet Measure auch mit einer einkanaligen Soundkarte, richtig empfehlenswert ist es aber nicht, auf die hardwareseitige Rückführung des Referenz-Stimulus-Signals zu verzichten. An Signalen lassen sich White und Pink Noise mit frequenzabhängig unterschiedlichem Energiegehalt aktivieren sowie ein Tongenerator (Sweeps derzeit noch nicht). Auch eine externe Referenz ist natürlich nutzbar, wie der Signalgenerator im Pult oder auch ein anderes Signal.

Für genaue Pegelwerte kann RDNet Measure die Messkette vom Mikrofon bis zum Analyser kalibrieren
Kalibrierung: Ansicht in der Software

>>zurück zum Anfang


RDNet als Grundlage

Das „RDNet Measure“ als Basis zugrundeliegende RDNet wurde bei RCF in Italien von Anfang an als stabiles RS- 485-Protokoll angeschoben. Dieses hat den Vorteil, dass auch XLR-Stecker zur Übertragung genutzt werden können. Das ist an dem Controller (den man zur Systemsteuerung, nicht für die Messungen benötigt) auch gut zu erkennen: Neben den üblichen Ethercon sind dort auch dreipolige XLR-Stecker zu sehen. Die zu überwachenden Produkte nutzen allerdings Ethercon. Auch die Marke dB-Technologies als „Schwester-Unternehmen“ im selben Konzern nutzt mit ihrem System Aurora Net generell das damals festgelegte Protokoll, hier sind noch weitere Entwicklungen bezüglich der zu übertragenden Signalarten zu erwarten.

Der RDNet- Controller ist in zwei Varianten zu bekommen: Einmal als 19″-Version mit acht Anschlüssen sowie eine kleine Ausführung mit zwei Eingängen für kleinere Jobs. Hier kann man dann das Protokoll in Ethernet und USB (Control 2 nur USB) übersetzen lassen. Bei diesem RCF-Hardware-Konzept wird dann neben NF und Strom noch eine Datenleitung an jedes Element der Beschallung geführt. Hybridkabel minimieren dazu den Aufwand vom Boden bis zum Array.

>>zurück zum Anfang


Mess-Basis: alles da

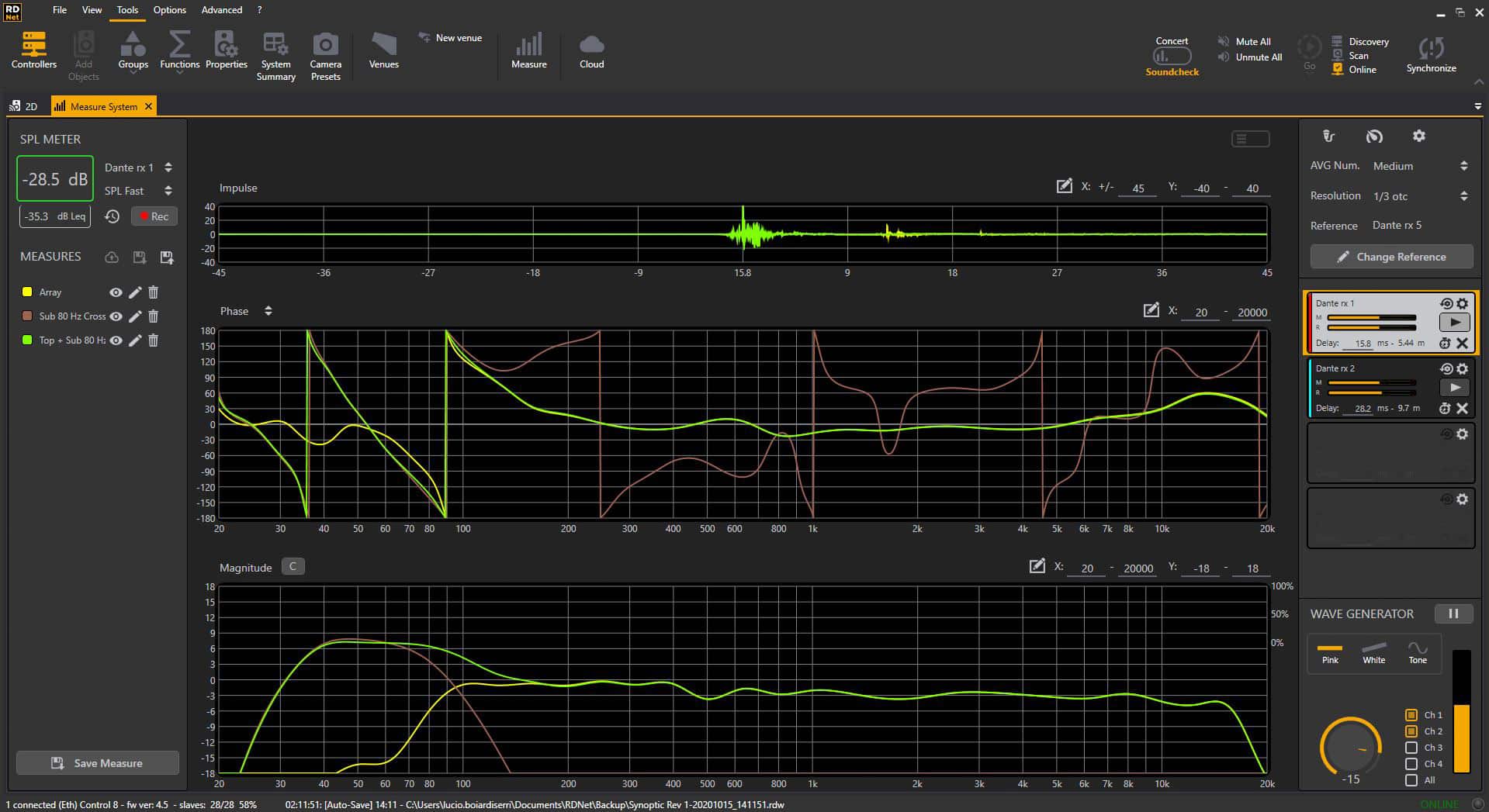
RDNet war zuerst als einfache Plattform zur Überwachung der Selfpowered-Systeme gedacht, man konnte die Aussteuerung der Endstufen beobachten. Zur Kontrolle des Gesamtsystems sollte man dessen Ergebnis ja aber auch messen. Und vor allem stand bei „Measure“ im Fokus, Systeme besser akustisch miteinander zu kombinieren. Hinzugekommen ist daher, dass man mit RDNet Measure Schalldruck und Zeit-Parameter einfangen kann.

  • Das ist einmal die Impulsantwort praktisch als Ausgangspunkt der Messungen. Sie zeigt die zeitliche Reaktion eines Systems, als hätte man es mit einem idealen, scharfen Impuls anregt (wir erinnern an die noch immer typische, reflexartige Handbewegung jeden Akustikers beim Betreten eines Raums …).
  • Der Phasengang mit der Phase über der Frequenz in Grad zeigt die zeitliche Komponente eines Systems, wichtig vor allem in den Übergängen zwischen Beschallungskomponenten für ein bestmögliches Zusammenwirken.
  • Der bekannte Pegel über Frequenz, dieser Amplitudenfrequenzgang ist sicher die gewohnteste Darstellung.
  • Schließlich die Kohärenz zur Bewertung der Messplausibilität, was an die Erwähnung erinnert, dass RDNet Measure vier Eingänge und mehrere Ausgänge unterstützt.

Beim hier verwendeten Messverfahren der zweikanaligen FFT-Analyse werden immer zwei Kanäle benötigt: Auf einen Eingang gibt man RDNet Measure das Messsignal (das kann ein von RDNet selbst erzeugtes Rosa Rauschen sein), auf dem zweiten Input bekommt die Software das Messmikrofon. Vier Messkanäle bedeutet dann fünf Soundkarten-Kanäle: 1 × Referenz und bis zu vier Messmikrofone, die sich mit der gleichen Referenz „verrechnen“. Aus dem Vergleich zweier Signale entsteht die Messung. Je nach Verschaltung der Kette kann man beispielsweise Master-EQ oder das Mischpult mit in die Messung einbeziehen. Zur Messung ist so auch das gerade laufende Programmmaterial als „Messsignal“ nutzbar (mit den dabei bekannten prinzipiellen Einschränkungen wie: Cowbell liefert keine Subwoofer- Ergebnisse).*

RDNet Measure time alignment 20-250hz
Übergangsbereich Top/Sub im Detail: Im Bassbereich aligned man die Phasen nach Flankensteilheit im Bereich des Crossovers manuell, da der Delayfinder allein hier keine Ergebnisse liefern kann (Bild: Veit Bartels)

Neben dem Dauerschalldruckpegel (SPL A-/C-bewertet) ermittelt RDNet Measure auch den äquivalenten Schalldruckpegel (Leq) als zeitlich gewichteten Parameter im Gegensatz zum momentanen Schalldruckpegel. Eine Protokollfunktion kann auch den zeitlichen Verlauf der Schallpegelmessungen aufzeichnen und in eine CSV-Datei schreiben. Eine Checksumme wird noch nicht berücksichtigt, so eine Maßnahme gegen nachträgliche Änderungen hat das Entwicklerteam aber auf dem Zettel. Das ersetzt also nicht ein „richtiges“ Messgerät, schon weil das Setup nach jedem Start neu kalibriert werden muss – und der Pegel am Wandler dann nicht mehr verstellt werden darf. Dies ist aber eine grundsätzliche Fragestellung und ist nicht alleine auf diese Messsoftware von RCF beschränkt – so oder so bekommt man hier eine feine Pegelmessung dazu spendiert.

Die Messsoftware ist zwar als Bestandteil des RDNet konzipiert. Man misst und steuert also in einem Programm (unter Windows), die Anzeige erfolgt entweder als Tab innerhalb RDNet oder als eigenes Fenster. Das heißt aber nicht, dass man hiermit nicht auch Lautsprecher anderer Hersteller einmessen könnte. Es entfällt dann halt der Luxus, alles in einem Programm-Fenster erledigen zu können.

Aligned RDNet Measure
Timealignment erfolgreich: in Rot erkennt man die Addition von Topteilen und Subwoofer im Bereich des akustischen Crossovers (~70 Hz) (Bild: Veit Bartels)

Gehen wir von RCF-Systemen aus, können diese durch das System einzeln angesteuert werden. Man misst z. B. das Verhalten eines Sub Arrays und kann dann ein Top-Cluster dazu anpassen. Die Messdaten zeigen einem dann in gewohnten Darstellungsformen an, was die Phase oder der Frequenzverlauf im hörbaren Bereich so machen. Hier ist es dann am User, die angezeigten Daten zu interpretieren und auf das System zu übertragen, also welche Unregelmäßigkeiten über Delays und den internen DSP korrigiert werden können (oder eben auch nicht). Diese Korrekturmöglichkeiten in den Lautsprechern waren schon immer „Hidden Champions“, und das schon vor den FIR Filtern, die in den Top-Serien für das Crossover und Tuning benutzt werden.

Messtechnisch ermittelte Korrekturzeiten werden aktuell von Hand in die Control-Oberfläche übergeben, zukünftig könnte man sich da sicher auch eine automatische Übernahme vorstellen. Speziell für die Anpassung Sub/Top sind alle nötigen Features vorhanden: Ein Delay-Finder dient dem ersten „Einfangen“ der Impulsantwort oder dem Ermitteln von Delays für Fill-Lautsprecher. Die Messauflösung reicht von einer bis 1/24 Oktave und per Averaging bekommt man Ruhe in die Kurven. Die Messungen der Einzellautsprecher oder Kombination lassen sich einzeln speichern, ein- und ausblenden und farblich voneinander abgrenzen.

Ansonsten spielte die Software – die anfangs nicht einen so ganz bug-freien Ruf hatte – während unserer Testversion sehr ruhig und führte auch mit diversen Audio-Devices zu keinen Problemen. Schließlich war ja auch das schon lange am Markt befindliche RDNet bisher immer sehr stabil.

* Der deutsche Support korrigiert dazu richtigerweise, es komme ganz auf die Größe der Cowbell an

>>zurück zum Anfang


Ohne Systemer – niederschwellige Annäherung

Auch solche Messoftware, die von den Lautsprecherherstellern direkt kommt, entbindet einen natürlich nicht davon, sich selbst etwas mit der Physik auseinander zu setzen. Auch hier gilt: Wer viel misst, misst Mist! Erfahrungswerte wie zu der Frage „Wie stelle ich das Mikro auf?“ können gut bei Lehrgängen erlernt werden, auch wie von der Interpretation der grafisch dargestellten Daten nun die Einstellung von Parametern abgleitet werden kann. Hier liegt also Schulungsbedarf bei den Vertrieben. In der RCF Audio Academy gibt es dazu bereits ein Schulungsvideo der Niederlassung in Köln und natürlich weitere Hilfsangebote live vor Ort. Das Messsystem an sich ist übersichtlich und durch bekannte Tastatur-Abkürzungen findet man sich schnell zurecht. Einige Hürden werden dadurch minimiert, dass bei Nutzung mit RCF-Lautsprechern Mess- und Steuersoftware integriert sind.

Messplausibilität Kohärenz RDNet Measure
Messplausibilität: Die obere rote Linie im unteren Diagramm zeigt die Kohärenz an (Skala rechts in Prozent, die Plausibilität dieser Messung lässt hier zu tiefen Frequenzen hin nach

>>zurück zum Anfang


Messtechnik-Einstiegsdroge

Was soll das nun bringen? Von anderen Herstellern gibt es ja schon ähnliche Lösungen, selbstständig betriebene Messtechnik ist an sich nicht neu. Aber direkt integriert in ein Produkt, was ja schon gute Ergebnisse bringt, kann es dieses besonders komfortabel weiter optimieren. Auch bei einem Stadtfest oder einer anderen Veranstaltung, wo normalerweise kein Systemtechniker vorhanden ist, lässt sich das Beschallungssystem so nochmals verbessern. Und das mit nur kurzer, zusätzlicher Arbeit. Dass es sich hier um ein geschlossenes RCF-System handelt, macht die Angelegenheit deutlich einfacher: Das RDNet ist ja eh schon aufgebaut, um das System zu steuern und überwachen. Da ist der Weg kurz, noch ein Messmikrofon aufzustellen und an einer oder mehreren Positionen mal die Zeiten, Phasen etc. des Systems zu checken und anzupassen. Das Ergebnis wird dadurch einfach deutlich besser. Einen Komfortgewinn gibt es auch: Man muss hier nicht zwischen dem Mess- und dem Control-System wechseln.

Nicht zu unterschätzen ist: Die Hemmschwelle für messtechnisch ungeübte User ist viel kleiner, auch einmal selbst zu sehen, was im System (und danach) so passiert. Und sich daran zu gewöhnen, wie sich die Ergebnisse darstellen, einmal in grafischer Darstellung und dann auch akustischer Wirkung.

Was heißt es andererseits für die Profis? Erstmal nur, dass die Arbeit einfacher wird. Ein wissender Kopf und gute Ohren sind auch hier sicher weiter von Vorteil. Das Beschallungskonzept an sich muss natürlich immer noch dementsprechend designed und in die Venue eingebracht werden. Hier liegen im Vorfeld viele Tücken, die auch durch nachträgliches Messen nicht verhindert (aber vielleicht angezeigt) werden können.

Smaart oder Systune spielen sicher nochmal in einer anderen Liga, dort liegt man aber auch direkt in einem bis zu vierstelligen Kostenrahmen. Das RDNet Measure ist schon deshalb eine Art Einstiegsdroge, weil man erlebt, wie gut ein Audiosystem werden kann, wenn noch die letzten zehn Prozent herausgeholt werden.

Schreiben Sie einen Kommentar

Ihre E-Mail-Adresse wird nicht veröffentlicht. Erforderliche Felder sind mit * markiert.